產品名稱:
英管螺紋膠墊密封柱端
產品系列搜索
請選擇您想要尋找的相關產品系列
產品描述

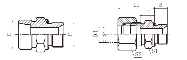
| 訂貨號 | 螺 紋 | 鋼管外徑 | 尺 寸 | 工作壓力 MPa | |||||
| E | F | D1 | B | l1 | L1 | S1 | S2 | ||
| A03-12-02CS | M12X1.5 | G1/8"X28 | 6 | 8 | 8.5 | 23.5 | 14 | 14 | 31.5 輕系列 L |
| A03-12-04CS | M12X1.5 | G1/4"X19 | 6 | 12 | 10 | 25 | 19 | 14 | |
| A03-12-06CS | M12X1.5 | G3/8"X19 | 6 | 12 | 11.5 | 26.5 | 22 | 14 | |
| A03-14-02CS | M14X1.5 | G1/8"X28 | 8 | 8 | 9 | 24 | 14 | 17 | |
| A03-14-04CS | M14X1.5 | G1/4"X19 | 8 | 12 | 10 | 24 | 19 | 17 | |
| A03-14-06CS | M14X1.5 | G3/8"X19 | 8 | 12 | 11 | 26 | 22 | 17 | |
| A03-16-04CS | M16X1.5 | G1/4"X19 | 10 | 12 | 11 | 24.5 | 19 | 19 | |
| A03-16-06CS | M16X1.5 | G3/8"X19 | 10 | 12 | 12.5 | 26 | 22 | 19 | |
| A03-16-08CS | M16X1.5 | G1/2"X14 | 10 | 14 | 13 | 28 | 27 | 19 | |
| A03-18-04CS | M18X1.5 | G1/4"X19 | 12 | 12 | 12 | 27 | 19 | 22 | |
| A03-18-06CS | M18X1.5 | G3/8"X19 | 12 | 12 | 12.5 | 26 | 22 | 22 | |
| A03-18-08CS | M18X1.5 | G1/2"X14 | 12 | 14 | 14 | 28 | 27 | 22 | |
| A03-22-04CS | M22X1.5 | G1/4"X19 | 15 | 12 | 13 | 28 | 24 | 27 | |
| A03-22-06CS | M22X1.5 | G3/8"X19 | 15 | 12 | 13.5 | 28 | 24 | 27 | |
| A03-22-08CS | M22X1.5 | G1/2"X14 | 15 | 14 | 14 | 29 | 27 | 27 | |
| A03-22-12CS | M22X1.5 | G3/4"X14 | 15 | 16 | 15 | 29 | 32 | 27 | |
| A03-26-08CS | M26X1.5 | G1/2"X14 | 18 | 14 | 14.5 | 31 | 27 | 32 | |
| A03-26-12CS | M26X1.5 | G3/4"X14 | 18 | 16 | 14.5 | 31 | 32 | 32 | |
| A03-30-12CS | M30X2 | G3/4"X14 | 22 | 16 | 16.5 | 33 | 32 | 36 | 16 輕系列 L |
| A03-36-16CS | M36X2 | G1"X11 | 28 | 18 | 17.5 | 34 | 41 | 41 | |
| A03-45-20CS | M45X2 | G1.1/4"X11 | 35 | 20 | 17.5 | 39 | 50 | 50 | |
| A03-52-24CS | M52X2 | G1.1/2"X11 | 42 | 22 | 19 | 42 | 55 | 60 | |
| A13-14-04CS | M14X1.5 | G1/4"X19 | 6 | 12 | 15 | 29 | 19 | 17 | 63 重系列 S |
| A13-16-04CS | M16X1.5 | G1/4"X19 | 8 | 12 | 15 | 30 | 19 | 19 | |
| A13-16-06CS | M16X1.5 | G3/8"X19 | 8 | 12 | 15.5 | 30 | 22 | 19 | |
| A13-18-04CS | M18X1.5 | G1/4"X19 | 10 | 12 | 14.5 | 31 | 19 | 22 | |
| A13-18-06CS | M18X1.5 | G3/8"X19 | 10 | 12 | 14.5 | 31 | 22 | 22 | |
| A13-18-08CS | M18X1.5 | G1/2"X14 | 10 | 14 | 17.5 | 34 | 27 | 22 | |
| A13-20-04CS | M20X1.5 | G1/4"X19 | 12 | 12 | 16.5 | 33 | 22 | 24 | |
| A13-20-06CS | M20X1.5 | G3/8"X19 | 12 | 12 | 15 | 33 | 22 | 24 | |
| A13-20-08CS | M20X1.5 | G1/2"X14 | 12 | 14 | 17.5 | 34 | 27 | 24 | |
| A13-22-08CS | M22X1.5 | G1/2"X14 | 14 | 14 | 19 | 37 | 27 | 27 | |
| A13-24-06CS | M24X1.5 | G3/8"X19 | 16 | 12 | 18 | 36.5 | 27 | 30 | 40 重系列 S |
| A13-24-08CS | M24X1.5 | G1/2"X14 | 16 | 14 | 18.5 | 37 | 27 | 30 | |
| A13-24-12CS | M24X1.5 | G3/4"X14 | 16 | 16 | 20.5 | 39 | 32 | 30 | |
| A13-30-12CS | M30X2 | G3/4"X14 | 20 | 16 | 20.5 | 42 | 32 | 36 | |
| A13-36-08CS | M36X2 | G1/2"X14 | 25 | 14 | 23 | 47 | 41 | 46 | |
| A13-36-12CS | M36X2 | G3/4"X14 | 25 | 16 | 23 | 47 | 41 | 46 | |
| A13-36-16CS | M36X2 | G1"X11 | 25 | 18 | 23 | 47 | 41 | 46 | |
| A13-42-20CS | M42X2 | G1.1/4"X11 | 30 | 20 | 23.5 | 50 | 50 | 50 | |
| A13-52-24CS | M52X2 | G1.1/2"X11 | 38 | 22 | 26 | 57 | 55 | 60 | 31.5 重系列S |