產品名稱:
英錐管外螺紋外六角堵頭
產品系列搜索
請選擇您想要尋找的相關產品系列
產品描述

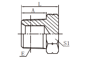
| 訂貨號 | 螺 紋 | 尺 寸 | ||||
| E | A | L | S1 | |||
| D4-02 | R1/8"X28 | 10 | 16 | 12 | ||
| D4-04 | R1/4"X19 | 14.5 | 20 | 14 | ||
| D4-06 | R3/8"X19 | 15 | 21 | 17 | ||
| D4-08 | R1/2"X14 | 20 | 27 | 22 | ||
| D4-12 | R3/4"X14 | 20 | 29 | 27 | ||
| D4-16 | R1"X11 | 25.5 | 36.5 | 36 | ||
| D4-20 | R1.1/4"X11 | 26.5 | 38.5 | 46 | ||
| D4-24 | R1.1/2"X11 | 26.5 | 42 | 50 | ||
| D4-32 | R2"X11 | 30 | 47 | 65 | ||